Ano ang Desorption Electrolytic System at Bakit Ito ay Mahalaga para sa Modernong Gold Extraction

2026-04-21 - Mag-iwan ako ng mensahe

AngDesorption Electrolytic Systemay isang mahalagang teknolohiya sa modernong pagkuha ng ginto, partikular sa mga proseso ng carbon-in-pulp (CIP) at carbon-in-leach (CIL). Tinutuklasan ng blog na ito kung paano gumagana ang system, mga bahagi nito, mga pakinabang, at kung bakit ito ay naging pamantayan sa mahusay na pagbawi ng ginto. Itinatampok din namin kung paano gusto ng mga kumpanyaEPICay nagtutulak ng pagbabago sa larangang ito. Sa pagtatapos, magkakaroon ka ng komprehensibong pag-unawa sa kung paano pinapahusay ng system na ito ang pagiging produktibo, binabawasan ang mga gastos, at pinapabuti ang mga rate ng pagbawi.

Desorption Electrolytic System

Talaan ng mga Nilalaman


Ano ang Desorption Electrolytic System

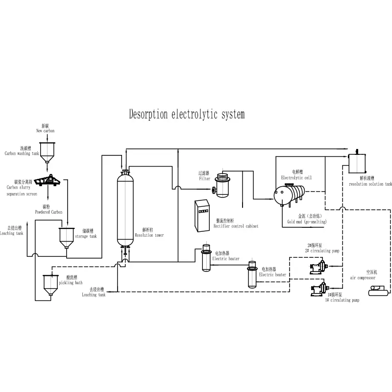
A Desorption Electrolytic Systemay isang advanced na sistema ng pagbawi ng ginto na ginagamit upang kunin ang ginto mula sa activated carbon. Ito ay malawakang ginagamit sa mga operasyon ng pagmimina kung saan ang ginto ay sinisipsip sa mga particle ng carbon sa panahon ng proseso ng leaching.

  • Desorption: Tinatanggal ang ginto mula sa carbon gamit ang mga solusyon na may mataas na temperatura at mataas na presyon
  • Electrolysis: Kinukuha ang ginto mula sa solusyon papunta sa mga cathode
  • Closed-loop system: Tinitiyak ang kahusayan at kaunting pagkawala

Ang sistemang ito ay mahalaga para sa pagpapabuti ng kahusayan sa pagbawi at pagbabawas ng mga gastos sa pagpapatakbo, na ginagawa itong isang pangunahing bahagi sa mga modernong planta sa pagpoproseso ng ginto.


Paano Gumagana ang Desorption Electrolytic System

Ang prinsipyo ng paggawa ng aDesorption Electrolytic Systemnagsasangkot ng dalawang pangunahing yugto:

  1. Yugto ng Desorption:Ang carbon-loaded na ginto ay ginagamot ng mainit na alkaline cyanide solution, na naglalabas ng mga gold ions.
  2. Yugto ng Electrolysis:Ang solusyon na mayaman sa ginto ay dumadaan sa isang electrolytic cell kung saan nagdedeposito ang ginto sa mga steel wool cathode.

Tinitiyak ng proseso ang mataas na kahusayan at nagbibigay-daan para sa tuluy-tuloy na operasyon, kaya naman gusto ng mga system mula sa mga kumpanyaEPICay malawakang pinagtibay sa mga pang-industriyang aplikasyon.


Mga Pangunahing Bahagi ng System

Component Function
Desorption Column May hawak na activated carbon at pinapadali ang pagtanggal ng ginto
Electrolytic Cell Binabawi ang ginto sa pamamagitan ng electrolysis
Palitan ng init Pinapanatili ang kinakailangang temperatura
Sistema ng Filter Tinatanggal ang mga impurities mula sa solusyon
Sistema ng Kontrol Nag-automate ng operasyon at sinusubaybayan ang mga parameter

Ang bawat bahagi ay gumaganap ng isang mahalagang papel sa pagtiyak na ang sistema ay gumagana nang mahusay at pare-pareho.


Mga Teknikal na Kalamangan at Mga Tampok

  • Mataas na rate ng pagbawi ng ginto (hanggang 98%)
  • Mababang pagkonsumo ng enerhiya
  • Awtomatikong operasyon para sa pinababang gastos sa paggawa
  • Compact na disenyo para sa kahusayan sa espasyo
  • Magiliw sa kapaligiran na may kaunting emisyon

Gusto ng mga tagagawaEPICpatuloy na i-optimize ang mga system na ito upang matugunan ang mga umuusbong na pangangailangan ng industriya, na tinitiyak ang mas mahusay na pagganap at pagiging maaasahan.


Mga Aplikasyon sa Pagproseso ng Ginto

AngDesorption Electrolytic Systemay malawakang ginagamit sa:

  • Mga halaman sa pagmimina ng ginto
  • Mga operasyon ng CIP (Carbon-in-Pulp).
  • Mga proseso ng CIL (Carbon-in-Leach).
  • Pagbawi ng mga gintong tailing

Ang versatility nito ay ginagawa itong angkop para sa parehong malakihang industriyal na pagmimina at mas maliliit na operasyon na naghahanap ng mga pagpapabuti sa kahusayan.


Paghahambing sa mga Tradisyunal na Pamamaraan

Tampok Desorption Electrolytic System Mga Tradisyunal na Pamamaraan
Kahusayan Mataas Katamtaman
Automation Ganap na awtomatiko Manu-mano o semi-awtomatiko
Gastos Mas mababang pangmatagalang gastos Mas mataas na gastos sa pagpapatakbo
Epekto sa Kapaligiran Mababa Mas mataas

Maliwanag, ang modernong sistema ay nagbibigay ng makabuluhang mga pakinabang sa tradisyonal na mga diskarte sa pagbawi ng ginto.


Gabay sa Pagpili para sa mga Mamimili

Kapag pumipili ng aDesorption Electrolytic System, isaalang-alang ang mga sumusunod na salik:

  • Kapasidad ng pagproseso
  • Antas ng automation
  • Enerhiya na kahusayan
  • Reputasyon ng tagagawa (hal., EPIC)
  • Suporta pagkatapos ng benta

Ang pagpili ng tamang sistema ay nagsisiguro ng pangmatagalang tagumpay sa pagpapatakbo at pinalaki ang return on investment.


Mga Tip sa Pagpapanatili at Pagpapatakbo

  • Regular na suriin ang mga pipeline at balbula
  • Subaybayan ang mga antas ng temperatura at presyon
  • Pana-panahong linisin ang mga electrolytic cell
  • Palitan kaagad ang mga sira na bahagi
  • Mahigpit na sundin ang mga alituntunin ng tagagawa

Ang wastong pagpapanatili ay makabuluhang nagpapahaba ng habang-buhay ng system at tinitiyak ang pare-parehong pagganap.


FAQ

1. Ano ang pangunahing layunin ng isang Desorption Electrolytic System?

Ang pangunahing layunin nito ay upang kunin at mabawi ang ginto mula sa activated carbon nang mahusay.

2. Gaano kahusay ang sistema?

Karamihan sa mga system ay nakakamit ng gintong recovery rate na higit sa 95%, depende sa mga kondisyon ng operating.

3. Ang sistema ba ay environment friendly?

Oo, ang mga modernong sistema ay idinisenyo upang mabawasan ang mga emisyon at mabawasan ang mga basurang kemikal.

4. Maaari ba itong ipasadya?

Oo, nag-aalok ang mga kumpanyang tulad ng EPIC ng mga nako-customize na solusyon batay sa mga kinakailangan sa pagproseso.

5. Anong mga industriya ang gumagamit ng sistemang ito?

Pangunahin ang industriya ng pagmimina ng ginto, ngunit din sa mahalagang mga aplikasyon ng pagbawi ng metal.


Konklusyon

AngDesorption Electrolytic Systemkumakatawan sa isang pambihirang tagumpay sa teknolohiya sa pagbawi ng ginto, na nag-aalok ng walang kaparis na kahusayan, pagiging maaasahan, at pagganap sa kapaligiran. Sa patuloy na pagsulong mula sa mga lider ng industriya tulad ngEPIC, ang sistemang ito ay lalong nagiging mahalaga para sa mga modernong operasyon ng pagmimina. Kung naghahanap ka upang i-optimize ang iyong proseso ng pagkuha ng ginto at pagbutihin ang kakayahang kumita, ang pamumuhunan sa isang de-kalidad na sistema ay isang matalinong pagpili.Makipag-ugnayan sa aminngayon para matuto pa tungkol sa kung paano kami makakapagbigay ng mga pinasadyang solusyon para sa iyong mga pangangailangan.

Magpadala ng Inquiry

X
Gumagamit kami ng cookies para mag-alok sa iyo ng mas magandang karanasan sa pagba-browse, pag-aralan ang trapiko sa site at i-personalize ang content. Sa paggamit ng site na ito, sumasang-ayon ka sa aming paggamit ng cookies. Patakaran sa Privacy