Paano Napapabuti ng Cyaniding Equipment ang Pagbawi ng Ginto at Kaligtasan sa Site?

2026-01-08 - Mag-iwan ako ng mensahe

Kung naramdaman mo na ang cyanidation ay "epektibo, ngunit nakababahalang," hindi mo ito iniisip. Gumagana ang chemistry—ngunit ang pang-araw-araw na katotohanan ay maaaring maging magulo: variable ore, overspending ng reagent, pagkawala ng carbon, hindi inaasahang downtime, at ang patuloy na presyon upang gumana nang ligtas at tuluy-tuloy. Pinaghiwa-hiwalay ng artikulong ito kung anoKagamitang Cyanidingdapat talagang gawin para sa iyo, kung ano ang itatanong bago ka bumili, at kung paano maiwasan ang mga pinakamahal na pagkakamali.


Abstract

ModernoKagamitang Cyanidingay hindi lamang isang hanay ng mga tangke—ito ay isang konektadong sistema na idinisenyo upang kontrolin ang mga kondisyon ng leaching, patatagin ang pagbawi, bawasan ang reagent waste, at panatilihing predictable ang paghawak ng cyanide. Karaniwang nahihirapan ang mga mamimili sa apat na punto ng pananakit: hindi pantay na pagbawi, mataas na gastos sa pagpapatakbo, mahinang kontrol sa kaligtasan, at pananakit ng ulo sa pagpapanatili. Sa ibaba, makakakuha ka ng praktikal, plant-floor view ng cyaniding modules (leaching, adsorption, desorption/electrowinning, detox, at instrumentation), isang selection matrix, mga tip sa commissioning, at isang FAQ section na magagamit mo sa mga pag-uusap ng supplier.


Talaan ng mga Nilalaman


Balangkas sa isang Sulyap

  • Isalin ang "Kailangan ko ng cyanidation" sa isang kumpleto, nakokontrol na saklaw ng kagamitan.
  • Tukuyin kung aling module ang nagtutulak sa iyong mga pagkalugi (pagbawi, reagent, carbon, o downtime).
  • Gumamit ng isang simpleng matrix upang ihambing ang mga solusyon para sa iyong uri ng mineral at mga hadlang.
  • Pumunta sa mga pulong ng supplier na may checklist na mabilis na naglalantad ng mahihinang disenyo.

Ang Mga Puntos sa Sakit ng Tunay na Mamimili

Kapag namimili ang mga taoKagamitang Cyaniding, madalas nilang sabihin na "Kailangan ko ng mas mataas na pagbawi." Ang karaniwang ibig nilang sabihin ay: "Kailangan ko ng pagbawi na nananatiling mataas kahit na nagbabago ang mineral, umiikot ang mga operator, at malayo ang site." Narito ang mga punto ng sakit na paulit-ulit na lumalabas:

  • Mga pagbabago sa pagbawisanhi ng pagkakaiba-iba ng ore, mga isyu sa paggiling, limitasyon ng oxygen, o mahinang kontrol sa pH.
  • Gumagapang ang gastos ng reagentmula sa labis na dosis ng cyanide o dayap "para lamang maging ligtas."
  • Mga problema sa carbontulad ng fouling, attrition loss, o mahinang adsorption kinetics.
  • Downtimemula sa mga pagkabigo sa pump/valve, abrasive slurry wear, o hard-to-access na mga layout.
  • Stress sa kaligtasansa paligid ng imbakan ng cyanide, dosing, at kahandaan sa pagtugon sa emerhensiya.

Hindi inaalis ng magandang disenyo ng kagamitan ang lahat ng pagiging kumplikado, ngunit dapat nitong alisin ang hula.


Ano ang Kasama sa "Cyaniding Equipment".

Cyaniding Equipment

Sa pinakamababa,Kagamitang Cyanidingay dapat na maunawaan bilang isang sistema na sumusuporta sa mga function na ito:

  • Pag-leaching: magbigay ng oras, paghahalo, at kontrol sa kimika para sa paglusaw.
  • Pagkuha ng ginto: adsorption papunta sa activated carbon (CIP/CIL) o mga ruta ng pag-ulan.
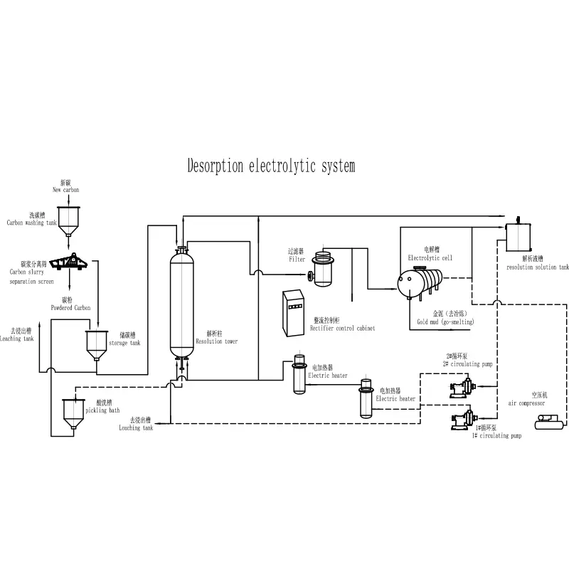
  • Pagbawi ng ginto: desorption at electrowinning (o mga alternatibong recovery circuit).
  • Detox at paghawak ng tailings: bawasan ang natitirang cyanide sa mga katanggap-tanggap na antas.
  • Instrumentasyon at kontrol: sukatin at patatagin ang pH, dissolved oxygen, daloy, at dosing.

Kung ang isang supplier ay nagsasalita lamang tungkol sa "mga tangke," itulak sila upang tukuyin ang buong daloy at ang mga control point. Ang cyanidation ay mapagpatawad sa mga kondisyon ng lab; hindi ito mapagpatawad sa magulong kondisyon sa larangan.


Isang Malinaw na Mapa ng Proseso mula sa Ore hanggang Doré

Habang naiiba ang bawat halaman, karamihan sa mga ruta ng cyanidation ay sumusunod sa isang nakikilalang backbone. Gamitin ang mapa na ito upang tingnan kung kumpleto ang iminungkahing pakete:

entablado Ano ang Dapat Nito Makamit Karaniwang "Nakatagong" Panganib
Pre-treatment (kung kinakailangan) Gawing madaling ma-access ang ginto at maiwasan ang mga spike ng pagkonsumo ng cyanide Hindi pinapansin ang preg-robbing, mataas na tanso, o reaktibong sulfide
Pag-leaching Matatag na paghahalo, kinokontrol na pH, at sapat na oxygen Mga patay na zone, mahinang paglipat ng oxygen, mali-mali na pH mula sa mahinang sistema ng dayap
Adsorption (CIL/CIP) Mahusay na makuha ang natunaw na ginto Maling sukat ng carbon/paraan ng paglipat; pagkalugi ng carbon
Elution / Desorption Alisin ang ginto mula sa carbon nang mapagkakatiwalaan Ang hindi pare-parehong pag-init/pag-agos ay humahantong sa mababang kahusayan sa pagtatalop
Electrowinning / Smelting Mabawi at gumawa ng doré Maliit na mga cell, mahinang pamamahala ng electrolyte, mga isyu sa paghawak ng putik
Detox Bawasan ang natitirang cyanide bago ilabas/tailings Ang disenyo ay hindi tumutugma sa throughput variability o tailings chemistry

Mga Pangunahing Module at Ano ang Suriin

1) Pag-leaching ng mga tangke at pagkabalisa

  • Angkop ba ang disenyo ng paghahalo para sa iyong slurry density at abrasiveness?
  • Maaari bang mapanatili ng system ang matatag na pH sa ilalim ng pagkakaiba-iba ng mineral?
  • Praktikal ba ang pagdaragdag ng oxygen sa iyong site (at isinasaalang-alang ba ang paglipat ng oxygen sa disenyo)?
  • Pinapayagan ba ng layout ang madaling inspeksyon ng mga impeller, liner, at bearings?

2) Carbon adsorption at paglipat

  • Ang mga interstage screen ba ay sapat na matatag upang maiwasan ang pagdadala ng carbon?
  • Ang carbon transfer ba ay ginawa upang mabawasan ang pagkasira at pagkawala?
  • Magiliw ba ang disenyo sa paglilinis at kontrol ng imbentaryo ng carbon?

3) Desorption at electrowinning

  • Ang elution circuit ba ay tumutugma sa iyong mga inaasahan sa pag-load ng carbon?
  • Ang mga kontrol ba sa pag-init at daloy ay matatag (hindi "nakadepende sa operator")?
  • Ang paghawak ba ng putik ay pinaplano, hindi improvised?

4) Cyanide dosing at pagsukat

  • Awtomatiko ba ang dosing na may mga interlock, o manwal lang?
  • Ano ang plano para sa pagkakalibrate at pagpapanatili ng sensor sa isang tunay na kapaligiran ng minahan?
  • Ang mga sampling point ba ay ligtas at maayos na nakaposisyon, o isang nahuling pag-iisip?

5) Detox

  • Nakabatay ba ang disenyo ng detox sa iyong mga discharge target at tailings chemistry?
  • Mahawakan ba nito ang mga panandaliang spike nang hindi pinipilit ang pagsara?

Praktikal na pahiwatig:Ang isang panukala na mukhang mas mura sa papel ay kadalasang nagtutulak ng gastos sa mga operasyon—dagdag na cyanide, sobrang kalamansi, dagdag na trabaho sa pagpapanatili, at higit pang "kabayanihan" na pag-uugali ng operator. Darating ang bill mamaya.


Mga Pangunahing Kaalaman sa Sukat at Pagtutukoy

Hindi mo kailangang maging metalurgist para magtanong ng mga tanong sa pagpapalaki na nagpoprotekta sa iyong badyet. Para saKagamitang Cyaniding, umiikot ang core sizing logic sa throughput, tagal ng paninirahan, at mass transfer. Bago tanggapin ang anumang panghuling disenyo, tiyaking tahasang nakasaad ang mga input na ito:

  • throughput ng disenyo(average at peak, kasama ang inaasahang seasonal variability).
  • Target na laki ng gilingat kung ano ang mangyayari kung ang gilingan drifts coarser.
  • Oras ng paninirahan ng Leachat kung ito ay batay sa mga pagsubok o pagpapalagay.
  • pH at alkalinity plan(kabilang ang paghahanda ng dayap at katatagan ng dosing).
  • Diskarte sa oxygen(hangin, oxygen, o wala) at ang inaasahang epekto sa kinetics.
  • Imbentaryo ng carbon(kung gaano karaming carbon, kung saan ito nakaupo, at kung paano ito sinusubaybayan).

Kung hindi maipaliwanag ng isang supplier ang mga ito sa simpleng wika, ituring ito bilang isang senyales ng panganib—hindi isang teknikalidad.


Kaligtasan at Cyanide Control na Talagang Nananatili

Ang kaligtasan ay hindi isang poster sa dingding. Sa cyanidation, ito ay binuo sa pisikal na disenyo at regular na kontrol. MalakasKagamitang Cyanidingkaraniwang kasama sa mga pakete ang:

  • Naglalaman ng imbakan at paglilipatna may malinaw na mga spill path at bunding logic.
  • Interlocked dosingkaya hindi maidaragdag ang cyanide kapag hindi natugunan ang mga pangunahing kondisyon.
  • Malinaw na disenyo ng samplingna binabawasan ang panganib sa pagkakalantad sa panahon ng mga regular na pagsusuri.
  • Kahandaan sa emergencybilang bahagi ng operating procedure set, hindi isang add-on na dokumento.

Mula sa pananaw ng isang mamimili, simple ang iyong trabaho: pilitin ang panukala na ipakita nang eksakto kung paano nakikipag-ugnayan ang mga tao sa system. Saan sila nakatayo? Ano ang hinahawakan nila? Paano nila inihihiwalay ang mga kagamitan? Paano sila tumugon sa isang pump seal failure sa 2 a.m.?


Kung Saan Talagang Nagmumula ang Mga Gastos sa Pagpapatakbo

Kung ang iyong gastos sa bawat onsa ay tumataas, karaniwan ay hindi ito isang kapansin-pansing kabiguan—ito ay maliliit na pagtagas sa system na pinagsasama. Sa cyanidation, ang pinakakaraniwang mga driver ng gastos ay:

  • Pagkonsumo ng cyanidehinihimok ng mga reaktibong mineral, labis na dosis, o mahinang control loop.
  • Pagkonsumo ng apogkapag ang pH control ay hindi matatag o ang slurry chemistry ay hindi naiintindihan ng mabuti.
  • Pagkawala ng carbonsa pamamagitan ng attrition, mga isyu sa screen, o hindi magandang disenyo ng paglilipat.
  • Kapangyarihan at pagpapanatilimula sa sobrang pagkabalisa, hindi gaanong disenyo ng mga bahagi ng pagsusuot, at mga layout na mahirap gamitin.
Sintomas Malamang Root Cause Tampok ng Kagamitang Nakakatulong
Bumaba ang pagbawi kapag nagbago ang mineral pH/DO kawalang-tatag; mahinang paghahalo; hindi sapat na oras ng paninirahan Matatag na pagkabalisa, mas mahusay na instrumento ng kontrol, nababaluktot na kapasidad ng tangke
Ang paggastos ng cyanide ay patuloy na tumataas Overdosing; mataas na cyanide-consuming mineral; mahinang pagsukat Kinokontrol na dosing, maaasahang sampling point, mas matalinong mga interlock
Ang imbentaryo ng carbon ay "misteryosong" lumiliit Mga pagkabigo sa screen; paglipat ng mga pagkalugi; attrisyon Matibay na interstage screen, magiliw na disenyo ng paglilipat, malinaw na carbon accounting
Madalas na pagsasara Magsuot ng mga piyesa, pump sealing, mga isyu sa pag-access Mga materyales na lumalaban sa pagsusuot, access sa pagpapanatili, mga standardized na ekstra

Pagiging Maaasahan at Disenyo sa Pagpapanatili

Cyaniding Equipment

Ang cyanidation circuit ay maaaring magmukhang "kumpleto" at hindi pa rin mapagkakatiwalaan kung hindi idinisenyo ang maintenance. Itanong kung paano lumalapit ang supplier:

  • Pagpili ng mga materyalespara sa mga abrasive slurry zone at cyanide-contact zone.
  • Accesssa mga screen, impeller, liner, pump, at instrumentation.
  • Diskarte sa ekstrang bahagina tumutugma sa katotohanan ng iyong site (lead times, logistics, stocking).
  • Standardisasyonupang bawasan ang bilang ng mga natatanging item sa pagsusuot.

Sa mga malalayong operasyon, ang "madaling mapanatili" ay maaaring nagkakahalaga ng higit pa kaysa sa "medyo mas mahusay sa papel."


Mga Tanong ng Supplier na Dapat Mong Itanong

Gamitin ang checklist na ito sa mga pulong. Idinisenyo ito upang mabilis na ipakita ang mahihinang mga panukala—nang hindi ginagawang debate ang pag-uusap.

  • Aling mga panganib sa mineral ang ipinapalagay na malayo, at para saan ang aktibong inhinyero?
  • Ano ang mga input ng disenyo para sa oras ng paninirahan, hanay ng pH, at diskarte sa oxygen?
  • Paano kinokontrol ang cyanide dosing, at ano ang nangyayari sa panahon ng pagkabigo ng sensor?
  • Paano pinipigilan at nasusukat ang pagkawala ng carbon sa mga karaniwang operasyon?
  • Ano ang plano sa pag-access sa pagpapanatili para sa mga screen, agitator, at pump?
  • Ano ang mga inirerekomendang pagsusuri ng operator sa bawat shift, at paano sila ginawang ligtas?
  • Anong suporta sa pagkomisyon ang kasama, at anong pagsasanay sa operator ang ibinigay?

Kung sinusuri mo ang mga vendor, makakatulong na makipag-usap sa isang tagagawa na maaaring magbigay ng isang buong pakete ng cyanidation at suportahan ang mga detalye ng pagsasama. Halimbawa, Qingdao EPIC Mining Machinery Co.,Ltd.nagbibigay ng mga solusyon sa kagamitan sa pagpoproseso ng pagmimina kung saan ang mga pakete ng cyanidation ay itinuturing bilang mga sistema—leaching, adsorption, pagbawi, at kontrol—sa halip na isang nakadiskonektang hanay ng mga tangke.


FAQ

Ano ang ginagawang "moderno" sa Cyaniding Equipment kaysa sa basic?

Nakatuon ang mga modernong disenyo sa pagiging kontrolado at pag-uulit: stable na dosing, maaasahang pagsukat, mas ligtas na sampling, matatag na proteksyon sa pagsusuot, at mga layout na nagpapababa ng improvisasyon ng operator. Ang layunin ay pare-parehong pagbawi na may mas kaunting reagent waste at mas kaunting shutdown.

Maaari bang pangasiwaan ng Cyaniding Equipment ang mababang uri ng ore nang matipid?

Maaari ito, ngunit kapag ang circuit ay ininhinyero sa paligid ng iyong kinetics at profile ng pagkonsumo. Ang mga operasyong mababa ang grado ay malamang na maging sensitibo sa sobrang paggastos at downtime ng reagent, kaya ang mga control system, disenyo ng pagsusuot, at pamamahala ng carbon ay nagiging lalong mahalaga.

Paano ko malalaman kung kailangan ko ng CIP o CIL?

Ang pagpili ay kadalasang nakadepende sa leach kinetics at kung gaano kabilis dapat makuha ang natunaw na ginto. Kung ang ginto ay mabilis na natunaw at gusto mo ng agarang pagkuha, maaaring maging kaakit-akit ang CIL. Kung ang pag-leaching ay nakikinabang mula sa paghihiwalay bago ang adsorption, maaaring mas magkasya ang CIP. Ang mga pagsubok sa metalurhiko at praktikal na mga hadlang sa site ay dapat magmaneho ng desisyon.

Bakit ang pagkonsumo ng cyanide kung minsan ay biglang tumataas?

Kabilang sa mga karaniwang sanhi ang mga pagbabago sa mineral ng mineral, mahinang kontrol sa pH, hindi inaasahang limitasyon ng oxygen, o kontaminasyon sa prosesong tubig. Ang isang mahusay na plano sa kontrol at maaasahang mga sampling point ay ginagawang mas madaling masuri at maitama ang mga spike na ito nang mabilis.

Ano ang dapat kong unahin kung ang aking site ay malayo at kulang ang mga tauhan?

Unahin ang maintainability at automation na nagpapababa ng manual na paghawak: mga matibay na screen, naa-access na layout ng kagamitan, mga standardized na spare, interlocked dosing, at malinaw na operating routine na hindi umaasa sa "isang ekspertong operator."


Pagbabalot

PagbiliKagamitang Cyanidingsa huli ay tungkol sa pagbabawas ng kawalan ng katiyakan. Ang chemistry ay maaaring napatunayan, ngunit ang iyong kakayahang kumita ay nakasalalay sa pare-parehong kontrol, praktikal na pagpapanatili, at kaligtasan na gumagana sa mga tunay na pagbabago sa mga totoong tao. Kung nagpaplano ka ng bagong planta o nag-a-upgrade ng kasalukuyang circuit, dalhin ang iyong mga ore realities, throughput target, at mga hadlang sa site sa talahanayan—at igiit ang isang panukala na itinuturing ang cyanidation bilang isang kumpletong, nakokontrol na sistema.

Handa nang gawing isang maaasahang, cost-stable na operasyon ang iyong cyanidation plan?Ibahagi ang iyong uri ng mineral, target na kapasidad, at kundisyon ng site, atmakipag-ugnayan sa aminupang talakayin ang isang praktikal na pagsasaayos ng kagamitan na akma sa iyong planta at sa iyong mga operator.

Magpadala ng Inquiry

X
Gumagamit kami ng cookies para mag-alok sa iyo ng mas magandang karanasan sa pagba-browse, pag-aralan ang trapiko sa site at i-personalize ang content. Sa paggamit ng site na ito, sumasang-ayon ka sa aming paggamit ng cookies. Patakaran sa Privacy